חקר כשל

מטרה: מניעת הישנות הכשל.
תהליך חקר כשל נועד לקבוע את המנגנון ואת גורם הכשל.

מנגנון כשל מגדיר את התהליך המתרחש בחומר עד לכשל.
גורם כשל מגדיר את סיבת השורש שאיפשרה את הכשל.

מנגנוני כשל עלולים להתרחש באופן חד פעמי (כשל בעומס יתר) או בתהליכים שתלויים בזמן כמו התעייפות, שיתוך מאמצים ועוד.

בחינת משטח השבר בראיה, באמצעות סטריאוסקופ בהגדלה עד 80 ובמיקרוסקופ אלקטרונים  סורק משמשים לזיהוי המנגנון. 

ניתוח הממצאים מחקירת משטח הכשל וממצאים נוספים, לצד ניתוח האופן והסביבה של פעולת המוצר, משמשים לאבחון גורם הכשל, שהוא המפתח לקביעת הפעולות למניעת הישנות הכשל.

עומס יתר

כשל עומס יתר (Failure overstress/Overload).
הגדרה – כשל המתרחש כאשר על הפריט פועל עומס הגבוה מחוזקו המכני.
השבר עלול להופיע בשתי דרכים (תלוי בחומר, בערכי הקשיות ובצורת העמיסה).
שבר משיך – נטוי בזווית של 45 מעלות לציר מאמץ המתיחה הראשי (משטח הגזירה המרבית).
שבר פריך – ניצב לציר מאמץ המתיחה הראשי.

שבר עומס יתר משיך "Cup & Cone"

שבר עומס יתר פריך

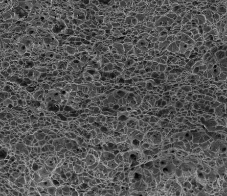
שבר עומס יתר משיך במתיחה- מבחינים בגומות עומס יתר שוות צירים (תמונת מיקרוסקופ אלקטרונים סורק)

שבר עומס יתר משיך בגזירה- מבחינים בגומות גזירה

שבר עומס יתר פריך- מבחינים במבנה בין-גרעיני

התעיפות (Fatigue)

מאפיינים:

מנגנון כשל התלוי בזמן שבו נוצר סדק ומתקדם תחת עמיסה מחזורית: Cyclic loading
העומסים הגורמים לכשל במנגנון זה נמוכים מהחוזק המכני של הפריט.

קיימים שני שלבים בהתקדמות הסדק:
היווצרות סדק/עירור סדק: Crack initiation – שלב זה מסתיים עד להופעת סדק.
התקדמות סדק: Crack propagation – התקדמות סדק עד הגעה לאורך קריטי a=ac והתרחשות שבר מהיר.

מראה מאקרוסקופי- משטח שבר מישורי ועל פניו קווי חוף (Beach marks).
בדר"כ, קווי החוף הם קשתות הניצבות לכיוון התקדמות הסדק ואשר פונות כלפי כיוון התפשטות.

משטח השבר מכיל קשתות התקדמות סדק

במבט מוגדל מבחינים כי הקשתות מכילות קמטי התעייפות (תמונת מיקרוסקופ אלקטרונים סורק)

בכפיפה מחזורית מבחינים בשתי חזיתות סדק שמתפשטות בכיוונים מנוגדים.
האזור במרכז בנוי מגומות עומס יתר

שיתוך מאמצים (Stress Corrosion Cracking)

מאפיינים:

מנגנון כשל תלוי זמן, המשלב מאמץ סטטי לאורך זמן, אווירה משתכת וחומר רגיש לשיתוך מאמצים.
הכשל מלווה בתוצרי קורוזיה.
הגדלת המאמץ מקטינה את הזמן להופעת הסידוק.
המנגנון מקדם סדק לגודל קריטי שלאחריו כשל קטסטרופלי.
ניתן להקטין את האפשרות לכשל ע"י בחירת חומרים שאינם רגישים לשיתוך מאמצים, הפחתת המאמצים והגנת הפריט בפני שיתוך.

סדקים שמלווים בקורוזיה

פני שבר מכוסים בתוצרי קורוזיה דמוי "אדמה מבוקעת"

בנתכי אלומיניום מתאפיין המנגנון בפני שבר מקולפים\קליפתיים

במטלוגרפיה מבחינים בהתקלפות לאורך גבולות גרעין

מנגנון כשל בפריכות מימן (Hydrogen embrittlement)

מאפיינים:

מנגנון כשל, מושהה, פריך, ללא חזית סדק.
הכשל נגרם מחדירה של מימן לתוך החומר.
בדר"כ, מקור המימן בתהליכי ניקוי חומציים, ציפויים אלקטרוליטים ותהליכי ריתוך.
חימום לאחר תהליכים של ניקוי חומצי וציפוי אלקטרוליטי "משחרר" את המימן ועשוי לפתור בעיה זו.
פלדות בקשיות שמעל [Rc]43 רגישות לכשל במנגנון זה.

שבר פריך ללא דפורמציה פלסטית

שבר בין גרעיני פריך (תמונת מיקרוסקופ אלקטרונים) לעיתים מופיעים על פאות הגרעינים נקבוביות (Pores) ו- Hair line

לעיתים מבחינים בבועות על גבי הדופן שנובעות מלכידת מימן

זחילה (CREEP)

מאפיינים:

מוגדרת כתופעה של התארכות התלויה בזמן של החומר המועמס בעומס קבוע.
זחילה הנדסית מתרחשת רק בטמפרטורות מעל 0.3TM כאשר TM היא טמפרטורת ההיתוך של החומר.

קיימים ארבעה שלבים במנגנון זה:
I שלב דגירה (Incubation)
II זחילה ראשונית (Primary)
III זחילה שניונית (Secondary)
VI זחילה שלישונית (Tertiary)

הכשל מלווה בדר"כ בסדקים משניים שניצבים לכיוון המאמץ וכן בחללים בגבולות גרעין.

מראה אופייני של נזקי זחילה

מנגנון זחילה גורם להיווצרות חללים ואי רציפויות בגבולות גרעין (חתך מטלוגרפי של נתך ניקל)

חללים בחומר (נתך ניקל)

רפואה

היי טק

מפעלים

תשתית חיונית

תעופה

דילוג לתוכן